
- 產品簡介
- 產品性能
- 應用范圍
ebmpapst 散熱風扇 R3G190-RD45-03 230V EC風機
類型 離心風扇
品牌 ebmpapst
型號 R3G190-RD45-03
電機功率 169(w)
電壓 230(V)
風葉直徑 190mm
轉速 4120(r/min)
德國ebmpapst R3G190-RD45-03離心風機實拍圖



風機配件選擇:

????北京恒瑞宏晟機電設備有限公司經營離心風機、軸流風扇、貫流風扇、變頻器風扇數十年,產品匯聚世界風機風扇品牌,長期供應德國ebmpapst(依必安派特)風機,型號齊全,大量現貨,全新原裝,歡迎垂詢!
ebmpapst 充電樁風扇 R3G190-RD45-03 230V EC風機
類型 離心風扇
品牌 ebmpapst
型號 R3G190-RD45-03
電機功率 169(w)
電壓 230(V)
風葉直徑 190mm
轉速 4120(r/min)
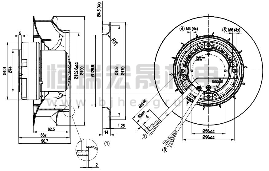
德國ebmpapst R3G190-RD45-03風機規格圖

德國ebmpapst R3G190-RD45-03風機曲線圖

北京恒瑞宏晟機電設備有限公司經營離心風機、軸流風扇、貫流風扇、變頻器風扇數十年,產品匯聚世界風機風扇品牌,長期供應德國ebmpapst(依必安派特)風機,型號齊全,大量現貨。
R3G190-RD45-03 ebmpapst 新能源充電樁風扇
PCS、電池、EMS等儲能核心設備以及電力儲能系統集成方案、工商業儲能系統集成方案、戶用儲能系統,滿足輔助新能源并網、調頻調峰、需求側響應、微電網等需求,致力于讓電力數字互聯。
風機問題在線解答:
1、怎樣選擇充電樁風機?
2、怎樣安裝充電樁風機?
3、充電樁風機工作原理?
更多風機技術問題請聯系客服?
其他熱門型號推薦:
W2E143-AB09-01
W2E200-HK38-01
W2E200-HK38-C01
W2E250-HL06-01
R2E225-RA92-09
R2E250-RA50-01
R3G190-8317076398
R3G225-8317076415
R3G190-RD45-03
R3G225-RE07-03
8317082557 VBS0190RSLFS
8317082558 VBS0225RSL
北京恒瑞宏晟機電設備有限公司專業提供變頻器、軌道交通、空氣凈化、新能源汽車等領域的通風散熱制冷配件,風機型號齊全,全新原裝,現貨庫存,期待您咨詢采購!









