
- 產品簡介
- 產品性能
- 應用范圍
R1G225-AF11-21 ebmpapst 離心風扇 95W 48V風扇
品牌: ebmpapst
類型: 離心風機
型號: R1G225-AF11-21
功率: 95(w)
電壓: 48(V)
電流: 2.2(A)
轉速: 2700(r/min)
防護等級:IP44
德國ebmpapst R1G225-AF11-21 離心風機實拍圖



風機配件選擇:

????北京恒瑞宏晟機電設備有限公司經營離心風機、軸流風扇、貫流風扇、變頻器風扇數十年,產品匯聚世界風機風扇品牌,長期供應德國ebmpapst(依必安派特)風機,型號齊全,大量現貨,全新原裝,歡迎垂詢!
德國ebmpapst R1G225-AF11-21 儲能空調風扇
品牌: ebmpapst
類型: 離心風機
型號: R1G225-AF11-21
功率: 95(w)
電壓: 48(V)
電流: 2.2(A)
轉速: 2700(r/min)
防護等級:IP44
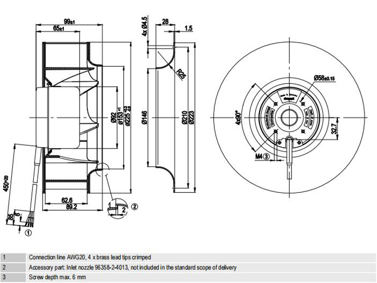
德國ebmpapst R1G225-AF11-21離心風機結構圖

德國ebmpapst R1G225-AF11-21離心風機曲線圖

ebmpapst 儲能空調風扇 R1G225-AF11-21
PCS、電池、EMS等儲能核心設備以及電力儲能系統集成方案、工商業儲能系統集成方案、戶用儲能系統,滿足輔助新能源并網、調頻調峰、需求側響應、微電網等需求,致力于讓電力數字互聯。

風機問題在線解答:
1、怎樣選擇儲能空調風機 ?
2、怎樣延長儲能空調使用壽命?
3、儲能空調風機工作原理?
更多風機技術問題請聯系客服?
其他熱門型號推薦:
2218F/2TDH4OR
W2E200-HK38-01
W2E250-HL06-01
W3G300-BV25-23
W3G300-QX25-33
R2E225-RA92-09
R2E250-RA50-01
R1G225-AF11-21
R3G250-RR01-H1
R3G310-AN43-71
R3G355-RG56-01
R4D450-AK01-01
R4D560-FB13-01
北京恒瑞宏晟機電設備有限公司專業提供變頻器、軌道交通、空氣凈化、新能源汽車等領域的通風散熱制冷配件,風機型號齊全,全新原裝,現貨庫存,期待您咨詢采購!









