- 產品簡介
- 產品性能
- 應用范圍
R4D450-RH01-01 ebmpapst 儲能集裝箱空調風扇 風機選型
類型 離心風扇
品牌 ebmpapst
型號 R4D450-RH01-01
電機功率 710(w)
電壓 230(V)
電流 1.45(A)
風葉直徑 450MM
轉速 1350(r/min)
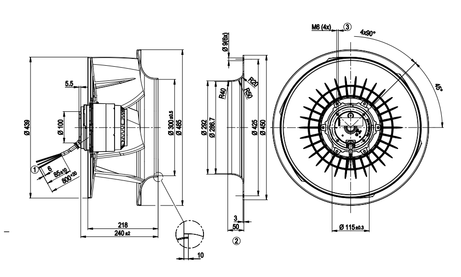
德國ebmpapst R4D450-RH01-01離心風機結構圖

德國ebmpapst R4D450-RH01-01離心風機曲線圖

北京恒瑞宏晟機電設備有限公司經營離心風機、軸流風扇、貫流風扇、變頻器風扇數十年,產品匯聚世界風機風扇品牌,長期供應德國ebmpapst(依必安派特)風機,型號齊全,大量現貨,全新原裝,歡迎垂詢!
德國ebmpapst R4D450-RH01-01 儲能集裝箱空調風機
類型 離心風扇
品牌 ebmpapst
型號 R4D450-RH01-01
電機功率 710(w)
電壓 230(V)
電流 1.45(A)
風葉直徑 450MM
轉速 1350(r/min)
德國ebmpapst R4D450-RH01-01離心風機結構圖

德國ebmpapst R4D450-RH01-01離心風機曲線圖

北京恒瑞宏晟機電設備有限公司經營離心風機、軸流風扇、貫流風扇、變頻器風扇數十年,產品匯聚世界風機風扇品牌,長期供應德國ebmpapst(依必安派特)風機,型號齊全,大量現貨,全新原裝,歡迎垂詢!
R4D450-RH01-01 ebmpapst 儲能集裝箱空調風扇
PCS、電池、EMS等儲能核心設備以及電力儲能系統集成方案、工商業儲能系統集成方案、戶用儲能系統,滿足輔助新能源并網、調頻調峰、需求側響應、微電網等需求,致力于讓電力數字互聯。

風機問題在線解答:
R4D400-AL17-05
R4D450-AA04-05
R4D450-AD12-06
R4D450-AK01-01/F01
R4D450-RH01-01
R4D500-AT03-01
R4D500-RA03-01
R3G500-8317081581
R3G500-FA28-03
R3G560-8317081579
R3G560-8317080795
R3G500-RA28-03
R3G560-RA24-03
R3G630-RB32-03
R3G630-FB32-03
R3G250-PR17-W9
R3G190-RC05-03
R3G225-RE07-03
R3G225-AE17-C01
R3G225-8317075812
R3G250-8317076409
R3G250-AK41-71
R3G250-RR01-H1
北京恒瑞宏晟機電設備有限公司是一家從事風機及工控產品銷售的企業,主要提供通風散熱產品和工控系統配件,產品廣泛應用于通風、空調、制冷、供暖、電氣自動化、變頻器、軌道交通、HVAC(FFU/AHU)、空氣凈化、風電發電、工業醫療、新能源汽車、儲能等多個行業。風機型號齊全,全新原裝,現貨庫存,期待您咨詢采購!










