- 產品簡介
- 產品性能
- 應用范圍
EC防爆風機 UFT12ABPB0AM1D4A
額定電壓 115~230 V
頻率 50/60 Hz
輸入功率 4.9(115V)5.2(230V)W
額定電流 0.08(115V)0.06(230V)A
鎖定電流 0.09(115V)0.06(230V)A
轉速 3200RPM
最大空氣流量 3.0 m3/min。
噪聲 43 dB
重量 0.29kg
EC防爆風機 UFT12ABPB0AM1D4A實拍圖

????北京恒瑞宏晟機電設備有限公司經營離心風機、軸流風扇、貫流風扇、變頻器風扇數十年,產品匯聚世界風機風扇品牌,長期供應防爆風機,型號齊全,大量現貨,全新原裝,歡迎垂詢!
EC防爆風機 UFT12ABPB0AM1D4A 風扇
額定電壓 115~230 V
頻率 50/60 Hz
輸入功率 4.9(115V)5.2(230V)W
額定電流 0.08(115V)0.06(230V)A
鎖定電流 0.09(115V)0.06(230V)A
轉速 3200RPM
最大空氣流量 3.0 m3/min。
噪聲 43 dB
重量 0.29kg
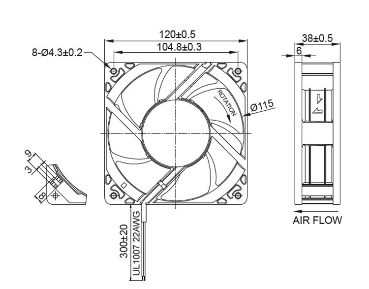
EC防爆風機 UFT12ABPB0AM1D4A 結構圖

EC防爆風機 UFT12ABPB0AM1D4A曲線圖

????北京恒瑞宏晟機電設備有限公司經營離心風機、軸流風扇、貫流風扇、變頻器風扇數十年,產品匯聚世界風機風扇品牌,長期供應防爆風機,型號齊全,大量現貨,全新原裝,歡迎垂詢!
EC防爆風機 UFT12ABPB0AM1D4A 散熱風扇
北京恒瑞宏晟機電設備有限公司是一家從事風機及工控產品銷售的企業,主要提供通風散熱產品和工控系統配件,產品廣泛應用于通風、空調、制冷、供暖、電氣自動化、變頻器、軌道交通、HVAC(FFU/AHU)、空氣凈化、風電發電、工業醫療、新能源汽車等多個行業。
風機問題在線解答:
UFT60BBPB0A M1D4A
UFT92ABPB0AH1D4A
UFT12ABPB0AM1D4A
UFT15PBPB11M1D4A
UFT15PBPB23M1D4A
UFT25GBPB11H1D8A
UFT25GBPB23H1D8A
UFT25GBPB0AL1D8A
UFT200BPB11H1D4A
UFT200BPB11H1D4A
UFT200BPB23H1D4A
UFT200BMB11H1D4A
UFT200BMB23H1D4A
北京恒瑞宏晟機電設備有限公司專業提供變頻器、軌道交通、空氣凈化、新能源汽車等領域的通風散熱制冷配件,風機型號齊全,全新原裝,現貨庫存,期待您咨詢采購!










