- 產品簡介
- 產品性能
- 應用范圍
橫流扇
UF6030 Series
| 扇架材質: | 烤漆鋼板 | ||||||||||||||||||
| 扇葉材質: | 工業塑膠或鋁質 | ||||||||||||||||||
| 軸承種類: | 鋼珠軸承或含油軸承 | ||||||||||||||||||
| 馬達種類: | 蔽極式馬達或電容啟動式馬達 | ||||||||||||||||||
| 保護方式: | 阻抗保護或溫度保護 | ||||||||||||||||||
| 絕緣電阻: | Above 100MΩ,DC 500V. | ||||||||||||||||||
| 耐電壓試驗 | AC1, 500V (50/60Hz) one minute | ||||||||||||||||||
| 安規認證: | CE, TUV. (UF9029 has UL, CUL approval) | ||||||||||||||||||
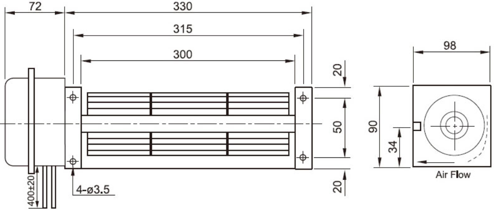
| 型號介紹 |
|
風機品牌代理商,多款風機有售,全新原裝,歡迎點擊?恒瑞宏晟
| UF6030CBA12HL | UF6030CBA23HL | ||
|---|---|---|---|
| Rated Voltage | 120 V | 230 V | |
| Frequency | 50/60 Hz | 50/60 Hz | |
| Input Power | 35/37 W | 35/37 W | |
| Rated Current | 0.33/0.33 A | 0.17/0.17 A | |
| Locked Current | 0.46/0.46 A | 0.22/0.22 A | |
| Speed | 2600/3000 RPM | 2600/3000 RPM | |
| Maximum Air Flow | 5/5.5 m3/min. | 5/5.5 m3/min. | |
| Maximum Air Flow | 177/195 CFM | 177/195 CFM | |
| Maximum Pressure | 5/7.5 mmH2O | 5/7.5 mmH2O | |
| Maximum Pressure | 0.2/0.3 InchH2O | 0.2/0.3 InchH2O | |
| Noise | 50/53 dB | 2 kg | |
| Weights | 2 kg | 2 kg |
橫流風扇特殊的出風面窄而長的結構設計, 特別適合安裝在扁平式的設備上
產品應用:
- 電梯散熱風扇
- 空氣門扇熱風扇
- 配電盤散熱風扇
- 變壓器散熱風扇
- 制袋機散熱風扇
- 烘培設備散熱風扇


風機品牌代理商,多款風機有售,全新原裝,歡迎點擊







