
- 產品簡介
- 產品性能
- 應用范圍
R4D400-AN09-06 ebmpapst 離心風機
品牌: ebmpapst
類型: 離心風扇
型號: R4E400-AN09-06
頻率: 50/60Hz
功率 : 480/695(w)
電壓: 1~230(V)
電流: 2.4/3.18(A)
轉速 : 1370/1500r/min)
重量: 8.7(kg)
德國ebmpapst R4E400-AN09-06離心風機實拍圖



????北京恒瑞宏晟機電設備有限公司經營離心風機、軸流風扇、貫流風扇、變頻器風扇數十年,產品匯聚世界風機風扇品牌,長期供應德國ebmpapst(依必安派特)風機,型號齊全,大量現貨,全新原裝,歡迎垂詢!
ebmpapst R4E400-AN09-06 高壓變頻柜風扇
品牌: ebmpapst
類型: 離心風扇
型號: R4E400-AN09-06
頻率: 50/60Hz
功率 : 480/695(w)
電壓: 1~230(V)
電流: 2.4/3.18(A)
轉速 : 1370/1500r/min)
重量: 8.7(kg)
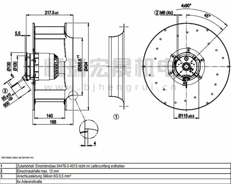
德國ebmpapst R4E400-AN09-06離心風機結構圖

德國ebmpapst R4E400-AN09-06離心風機曲線圖

北京恒瑞宏晟機電設備有限公司經營離心風機、軸流風扇、貫流風扇、變頻器風扇數十年,產品匯聚世界風機風扇品牌,長期供應德國ebmpapst(依必安派特)風機,型號齊全,大量現貨。
ebmpapst 高壓變頻柜風扇 R4E400-AN09-06 冷卻風機
高壓變頻器變壓器元件和功率元件(IGBT)在使用過程中會發熱,散熱的措施有兩種——水冷和風冷,對于大功率變頻器采用水冷散熱。
采用風冷是通過在柜頂安裝多臺風機,強制將柜內熱空氣吸出,然后排至室內或連接風道排至室外。

R3G355-RB03-10
R2E133-BH66-05
R3G133-RA01-03
R2E133-BH66-07
R3G133-AE07-02
R2S175-AB56-01
R2E175-AC77-05
R2E180-AS77-05
R2E190-RA26-05
R2E190-AO26-05
R3G190-RD45-03
R3G190-RC05-03
R3G190-RB01-01
R2E220-RA38-01
北京恒瑞宏晟機電設備有限公司專業提供變頻器、軌道交通、空氣凈化、新能源汽車等領域的通風散熱制冷配件,風機型號齊全,全新原裝,現貨庫存,期待您咨詢采購!









