
- 產品簡介
- 產品性能
- 應用范圍
R1G175-RB33-10 風機為后向離心風機,帶向后彎曲葉片的 ebm-papst 離心風扇主要用于吸入。由于大部分壓力積聚發生在葉輪中,因此通常不需要滾動殼體。離心風扇具有非常好的液壓效率和低噪音水平,非常適合高壓。 除了節能之外,集成控制電子還可以實現控制、監測和維護功能。
德國ebmpapst R1G175-RB33-10離心風機實拍圖


????北京恒瑞宏晟機電設備有限公司經營離心風機、軸流風扇、貫流風扇、變頻器風扇數十年,產品匯聚世界風機風扇品牌,長期供應德國ebmpapst(依必安派特)風機,型號齊全,大量現貨,全新原裝,歡迎垂詢!
德國ebmpapst R1G175-RB33-10離心風機參數
類型 離心風扇
品牌 ebmpapst
型號 R1G175-RB33-10
風葉直徑 225mm
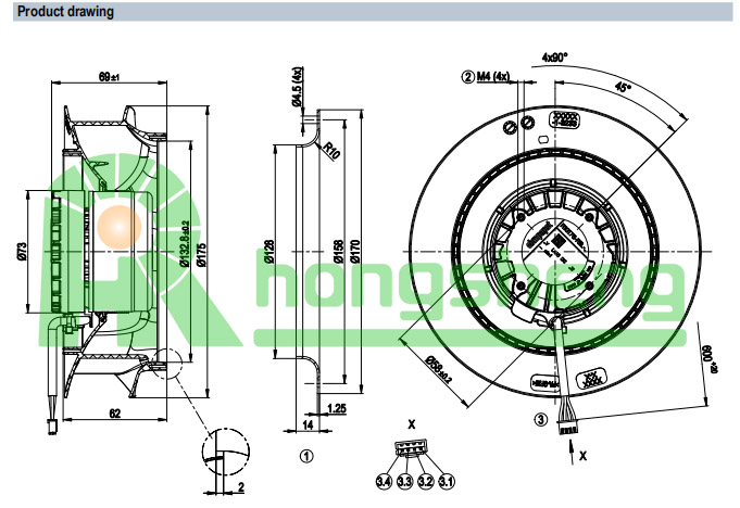
德國ebmpapst R1G175-RB33-10風機規格圖

德國ebmpapst R1G175-RB33-10風機曲線圖

德國ebmpapst風扇R1G175-RB33-10 應用于IT 電信行業
信息技術和通信系統面臨著越來越高的性能要求。服務器需24小時運行不間斷可靠運行,以更快的速度處理高度復雜的應用程序,其中冷卻系統尤為重要。

針對網絡技術、路由器、數據存儲技術、服務器/主機等在內的IT硬件,恒瑞宏晟可提供綠色科技EC技術的離心風機和緊湊型風機系列。即使在高空氣性能的情況下,緊湊型風機運行也非常安靜。它們可以實現智能控制,以滿足客戶的實際需求。


風機問題在線解答:
1、怎樣選擇IT 電信風機?
2、怎樣延長IT 電信風機使用壽命?
3、IT 電信風機工作原理?
更多風機技術問題請聯系客服?
其他熱門型號推薦:
R2E220-AA14-B7/A01
R1G225-RA15-10
R1G175-AB15-65/A01
R1G133-AA65-36
R1G175-RB33-G0
北京恒瑞宏晟機電設備有限公司專業提供變頻器、軌道交通、空氣凈化、新能源汽車等領域的通風散熱制冷配件,風機型號齊全,全新原裝,現貨庫存,期待您咨詢采購!









