
- 產品簡介
- 產品性能
- 應用范圍

| 庫存狀態:現貨 |
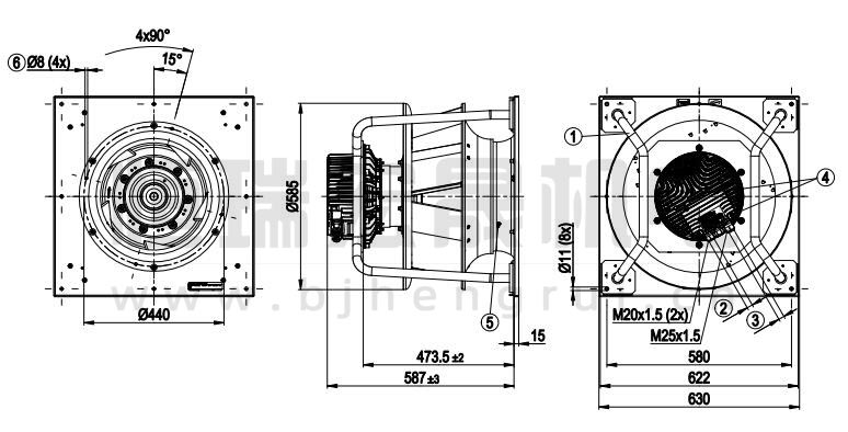
參數圖如下
品牌:ebmpapst
型號:K3G500-PB33-01
類型:離心風機
用途:空調機房散熱

K3G250-RD17-01電壓:240V 電流:0.70A 功率:80W 轉速:1955r/min 頻率:50Hz
K3G250-RE07-07電壓:240V 電流:1.40A 功率:170W 轉速:2510r/min 頻率:50Hz
K3G250-RD17-03電壓:240V 電流:0.70A 功率:80W 轉速:1955r/min 頻率:50Hz
K3G250-RE07-05電壓:240V 電流:1.40A 功率:170W 轉速:2510r/min 頻率:50Hz
R3G250-RD17-03電壓:240V 電流:0.70A 功率:80W 轉速:1955r/min 頻率:50Hz
R3G250-RD07-07電壓:240V 電流:1.40A 功率:170W 轉速:2510r/min 頻率:50Hz
R3G250-RR01-H1電壓:200-277V電流:2.20A功率:500W 轉速:3740r/min 重量:4.1KG
R3G250-RR02-I1電壓:200-277V電流:3.30A功率:750W 轉速:4250r/min 重量:4.4KG
K3G250-RR01-H2電壓:200-277V電流:2.20A功率:500W 轉速:3740r/min 重量:8.1KG
K3G250-RR02-I2電壓:200-277V電流:3.30A功率:750W 轉速:4250r/min 重量:8.5KG
R3G280-RB02-03電壓:200-240V電流:1.40A功率:168W 轉速:1910r/min 重量:2.7KG
R3G280-RR03-H1電壓:200-277V電流:2.20A功率:500W 轉速:2700r/min 重量:4.3KG
如果您正在為選用那一款風機而煩惱,沒關系,找客服,聯系北京恒瑞宏晟技術人員,
我司能提供完善的選型服務供您參考,解決您的問題,買風機,來北京恒瑞宏晟









