
- 產品簡介
- 產品性能
- 應用范圍
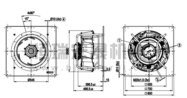
德國ebmpapstK3G630-RB32-03/F01風機的規格圖

北京恒瑞宏晟機電設備有限公司是一家從事風機及工控產品銷售的企業,主要提供通風散熱產品和工控系統配件,產品廣泛應用于通風、空調、制冷、供暖、電氣自動化、變頻器、軌道交通、HVAC(FFU/AHU)、空氣凈化、新能源汽車等多個行業。
參數圖如下
品牌:ebmpapst
型號:K3G630-RB32-03/F01
類型:離心風機
用途:數據中心

以下部分型號北京恒瑞宏晟長期優惠供應:
R3G560-RA25-21電壓:200-277V電流:7.0A功率:1590W 轉速:1340r/min 重量:22.5KG
R3G560-RA25-71電壓:380-480V電流:3.65A功率:2360W 轉速:1540r/min 重量:21.6KG
R3G560-RB31-71電壓:380-480V電流:4.40A功率:2900W 轉速:1650r/min 重量:26.0KG
K3G560-RA25-21電壓:200-277V電流:7.0A功率:1590W 轉速:1340r/min 重量:43.2KG
K3G560-RA25-71電壓:380-480V電流:3.65A功率:2360W 轉速:1540r/min 重量:42.3KG
K3G560-RB31-71電壓:380-480V電流:4.40A功率:2900W 轉速:1650r/min 重量:46.7KG
R4G630-RK57-31電壓:200-277V電流:2.20A功率:500W 轉速:740r/min 重量:15.8KG
R3G630-RL94-21電壓:200-277V電流:3.30A功率:750W 轉速:840r/min 重量:17.6KG
R3G630-RL95-01電壓:380-480V電流:1.50A功率:950W 轉速:900r/min 重量:17.4KG
R3G630-RA38-21電壓:200-277V電流:6.20A功率:1415W 轉速:1030/min 重量:25.0KG
R3G630-RA21-71電壓:380-480V電流:2.80A功率:1790W 轉速:1130r/min 重量:24.0KG
R3G630-RB32-71電壓:380-480V電流:4.15A功率:2700W 轉速:1300r/min 重量:29.0KG
K3G630-RK57-31電壓:200-277V電流:2.20A功率:500W 轉速:740r/min 重量:34.8KG
K3G630-RL94-21電壓:200-277V電流:3.30A功率:750W 轉速:840r/min 重量:36.6KG
K3G630-RA95-01電壓:380-480V電流:1.50A功率:950W 轉速:900r/min 重量:36.4KG
如果您正在為選用那一款風機而煩惱,沒關系,聯系北京恒瑞宏晟技術人員,我司能提供完善的選型服務供您參考,解決您的問題,買風機,來北京恒瑞宏晟型號齊全,歡迎咨詢









