
- 產品簡介
- 產品性能
- 應用范圍
陽光電源風機 ebmpapst風扇 K3G250-PR17-W9/F01
品牌 ebmpapst
型號 K3G250-PR17-W9/F01
電機功率 1160(w)
電壓 3~380-480(V)
電流 1.8(A)
適用范圍 陽光電源 逆變器
風葉直徑 250mm
轉速 4000(r/min)
德國ebmpapst K3G250-PR17-W9/F01 離心風機實拍圖




????北京恒瑞宏晟機電設備有限公司經營離心風機、軸流風扇、貫流風扇、變頻器風扇數十年,產品匯聚世界風機風扇品牌,長期供應德國ebmpapst(依必安派特)風機,型號齊全,大量現貨,全新原裝,歡迎垂詢!
德國ebmpapst 逆變器風扇 K3G250-PR17-W9/F01 離心風機
品牌 ebmpapst
型號 K3G250-PR17-W9/F01
電機功率 1160(w)
電壓 3~380-480(V)
電流 1.8(A)
適用范圍 陽光電源 逆變器
風葉直徑 250mm
轉速 4000(r/min)
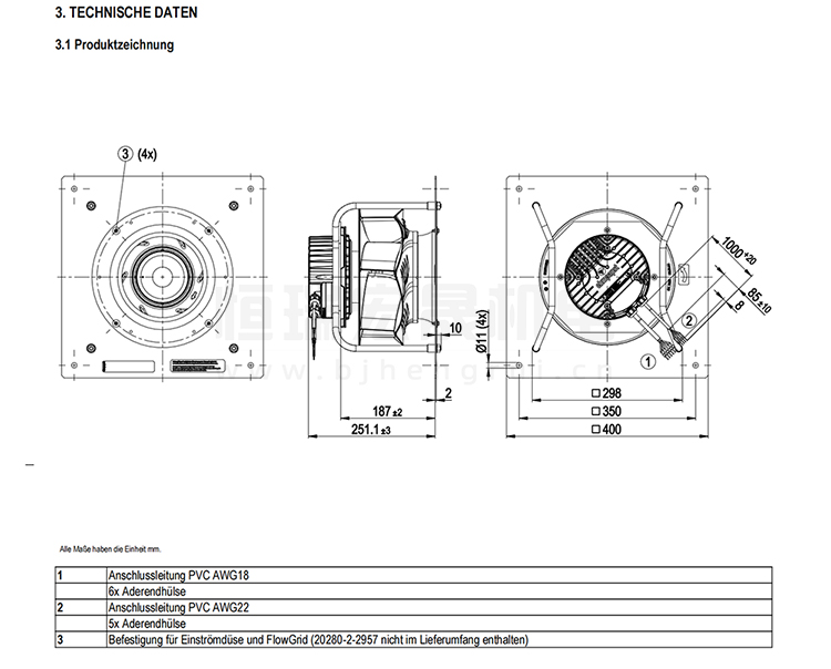
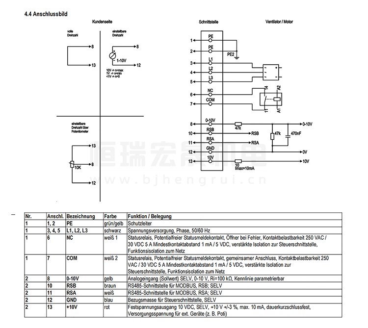
德國ebmpapst K3G250-PR17-W9/F01風機規格圖


北京恒瑞宏晟機電設備有限公司經營離心風機、軸流風扇、貫流風扇、變頻器風扇數十年,產品匯聚世界風機風扇品牌,長期供應德國ebmpapst(依必安派特)風機,型號齊全,大量現貨,全新原裝,歡迎垂詢!
德國ebmpapst風扇 K3G250-PR17-W9/F01 應用于風力發電行業
風力發電可分為陸上風力發電和海上風力發電,風電機組是風力發電的重要組成部分。它設置在空間有限的風電艙室內,其工作過程中會產生大量熱量。為保證風電機組的正常運行,則需要風機將這些工作熱量及時疏散。
經過氣流的正壓導入,及在機組內的分流,風機對機組內各部件進行降溫,提高了降溫的效率和效果。風電機組艙室空間有限,風機結構緊湊,安裝便利;高防塵防水等級為風電機組的正常運行提供保障。

風機問題在線解答:
1、怎樣安裝風力發電風機?
2、風機安裝過程中需要注意哪些問題?
3、怎樣延長風機使用壽命?
更多風機技術問題請聯系客服?
其他熱門型號推薦:
6224NTDA
A2E250-AE65-01
G4D200-CD04-28/24
W2E250-CE65-01
R3G355-AI56-01
W2E200-HH38-05
K3G250-PR17-W9
R2E220-AA40-80
R2E250-AL05-16
A2E200-AF02-01
北京恒瑞宏晟機電設備有限公司專業提供變頻器、軌道交通、空氣凈化、燃氣鍋爐、新能源汽車等領域的通風散熱制冷配件,風機型號齊全,全新原裝,現貨庫存,期待您咨詢采購!









