
- 產品簡介
- 產品性能
- 應用范圍
R3G225-RE07-03 ebmpapst 空氣凈化風扇
類型 離心風扇
品牌 ebm-papst
型號 R3G225-RE07-03
電機功率 170(w)
電壓 200-240(V)
電流 1.4(A)
適用范圍 -25~60°C
風量 1300(m³/h)
風葉直徑 225mm
轉速 2860(r/min)
德國ebmpapst R3G225-RE07-03離心風機實拍圖



風機配件選擇:

北京恒瑞宏晟機電設備有限公司經營離心風機、軸流風扇、貫流風扇、變頻器風扇數十年,產品匯聚世界風機風扇品牌,長期供應德國ebmpapst(依必安派特)風機,型號齊全,大量現貨,全新原裝,歡迎垂詢!
德國ebmpapst R3G225-RE07-03離心風機參數
類型 離心風扇
品牌 ebm-papst
型號 R3G225-RE07-03
電機功率 170(w)
電壓 200-240(V)
電流 1.4(A)
適用范圍 -25~60°C
風量 1300(m³/h)
風葉直徑 225mm
轉速 2860(r/min)
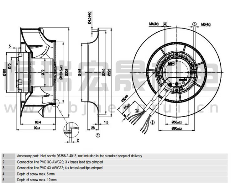
德國ebmpapst R3G225-RE07-03風機規格圖

德國ebmpapst R3G225-RE07-03風機曲線圖

北京恒瑞宏晟機電設備有限公司經營離心風機、軸流風扇、貫流風扇、變頻器風扇數十年,產品匯聚世界風機風扇品牌,長期供應德國ebmpapst(依必安派特)風機,型號齊全,大量現貨。
德國ebmpapst風扇R3G225-RE07-03 應用于空氣凈化行業
空氣凈化風機將外部空氣吸入空氣凈化器,然后通過各種濾網將其凈 化。另外一個風機再將潔凈的空氣送回房間。這一過程需要 運行特別安靜的風機,并進行精確控制,以適應特殊情況。
空氣凈化器中的應用優勢:
空氣動力學優化的葉輪顯著降低噪音高效的通風技術和新 型EC電機的結合設計緊湊EC風機具有兩級調速或無級調 速功能堅固的設計和免維護運行。
風機問題在線解答:
1、怎樣選擇空氣凈化風機?
2、怎樣安裝空氣凈化風機?
3、空氣凈化風機工作原理?
更多風機技術問題請聯系客服?
其他熱門型號推薦:
R1G220-AB73-52
R2E225-RA92-48
G2E160-AY47-01
G2E180-EH03-01
R1G225-AF11-52
R2E133-BH66-05
R2E133-BH66-07
R2E250-RA50-01
R2E225-RA92-09
R2E225-RA92-23/L02
R3G355-RP31-61
R3G225-RE07-03
R1G133-AA65-36
R3G225-AE17-C01
R3G225-8317075812
R3G225-RE07-03
R1G225-AF11-21
北京恒瑞宏晟機電設備有限公司專業提供變頻器、軌道交通、空氣凈化、新能源汽車等領域的通風散熱制冷配件,風機型號齊全,全新原裝,現貨庫存,期待您咨詢采購!









