
- 產品簡介
- 產品性能
- 應用范圍
G2E140-PI51-09 風機為前向離心風機,帶前彎葉片的 ebm-papst 離心風扇的突出特性包括其極低的噪聲水平和高功率密度。它們用于在狹小空間內移動大空氣量的地方。根據空氣動力學和幾何要求,葉輪采用單進氣或雙進氣配置。為了獲得高效率,除了電壓控制的異步電機外,還特別使用高效的 GreenTech EC 電機。兩種驅動器類型都可用于整個電源范圍。
德國ebmpapst G2E140-PI51-09離心風機實拍圖


????北京恒瑞宏晟機電設備有限公司經營離心風機、軸流風扇、貫流風扇、變頻器風扇數十年,產品匯聚世界風機風扇品牌,長期供應德國ebmpapst(依必安派特)風機,型號齊全,大量現貨,全新原裝,歡迎垂詢!
德國ebmpapst G2E140-PI51-09離心風機參數
類型 離心風扇
品牌 ebmpapst
型號 G2E140-P151-09
電機功率 180(w)
電壓 230(V)
電流 0.78(A)
風葉直徑 140mm
轉速 2200(r/min)
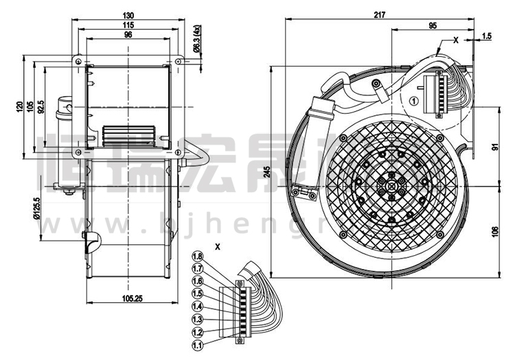
德國ebmpapst G2E140-PI51-09風機結構圖

德國ebmpapst G2E140-PI51-09風機曲線圖

北京恒瑞宏晟機電設備有限公司經營離心風機、軸流風扇、貫流風扇、變頻器風扇數十年,產品匯聚世界風機風扇品牌,長期供應德國ebmpapst(依必安派特)風機,型號齊全,大量現貨。
德國ebmpapst風扇G2E140-PI51-09 應用于變頻器行業
變頻器底部的大風扇是用來給變頻器的IGBT等大功率原件散熱的,小風扇是用來給CPU板、驅動板、電源板等電子部分散熱。
Ebmpapst離心風機具有極低的噪音水平和高功率密度,它們可以滿足狹小空間及大風量的需求,葉輪是根據空氣動力學和幾何要求設計的。為了獲得更佳效率,除了電壓控制的異步電動機外,還使用了高性能的Green Tech EC電動機。兩種驅動器類型均可在整個功率范圍內使用。

風機問題在線解答:
1、怎樣選擇變頻器風機?
2、怎樣延長變頻器風機使用壽命?
3、變頻器風機工作原理?
更多風機技術問題請聯系客服?
其他熱門型號推薦:
D2D146-AA28-28
D2D160-BE02-11
D2D160-BE02-12
D2D160-BE02-14
D2D160-CE02-11
D2D160-CE02-12
D2E146-AP47-79
D2E146-AP47-C3
D2E160-AA05-08
D2E160-AH02-15
G2E140-PI51-09
D2E146-AP47-B8
D4E225-CC01-30
北京恒瑞宏晟機電設備有限公司專業提供變頻器、軌道交通、空氣凈化、新能源汽車等領域的通風散熱制冷配件,風機型號齊全,全新原裝,現貨庫存,期待您咨詢采購!









