- 產品簡介
- 產品性能
- 應用范圍
R2E190-AO26-30 ebmpapst 變頻器風扇 230V風機
類型 離心風扇
品牌 ebmpapst
型號 R2E190-AO26-30
電機功率 58(w)
電壓 230(V)
電流 0.26(A)
風葉直徑 190mm
轉速 2500(r/min)
德國ebmpapst R2E190-AO26-30離心風機實拍圖



風機配件選擇:

????北京恒瑞宏晟機電設備有限公司經營離心風機、軸流風扇、貫流風扇、變頻器風扇數十年,產品匯聚世界風機風扇品牌,長期供應德國ebmpapst(依必安派特)風機,型號齊全,大量現貨,全新原裝,歡迎垂詢!
ebmpapst R2E190-AO26-30離心風機 風機選型
類型 離心風扇
品牌 ebmpapst
型號 R2E190-AO26-30
電機功率 58(w)
電壓 230(V)
電流 0.26(A)
風葉直徑 190mm
轉速 2500(r/min)
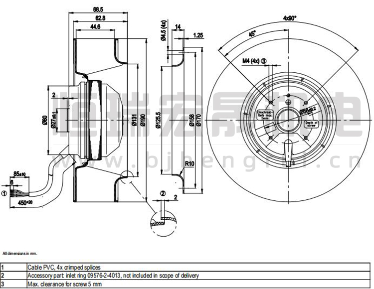
德國ebmpapst R2E190-AO26-30風機結構圖

北京恒瑞宏晟機電設備有限公司經營離心風機、軸流風扇、貫流風扇、變頻器風扇數十年,產品匯聚世界風機風扇品牌,長期供應德國ebmpapst(依必安派特)風機,型號齊全,大量現貨。
德國ebmpapst風扇 R2E190-AO26-30 應用于變頻器行業
變頻器底部的大風扇是用來給變頻器的IGBT等大功率原件散熱的,小風扇是用來給CPU板、驅動板、電源板等電子部分散熱。Ebmpapst離心風機具有極低的噪音水平和高功率密度,它們可以滿足狹小空間及大風量的需求,葉輪是根據空氣動力學和幾何要求設計的。為了獲得更佳效率,除了電壓控制的異步電動機外,還使用了高性能的Green Tech EC電動機。兩種驅動器類型均可在整個功率范圍內使用。

風機問題在線解答:
1、怎樣選擇變頻器風機?
2、怎樣延長變頻器風機使用壽命?
3、變頻器風機工作原理?
更多風機技術問題請聯系客服?
其他熱門型號推薦:
D2D133-AB06-30
D2D133-AB06-31
D2E160-AH01-17
G2D180-BD18-11
G2D180-BD18-13
G4E280-BC23-05
K2E225-AA26-09
K2E225-RB92-09
K3G250-RR03-H4
K3G250-RR17-H9
K3G280-AK54-21
K3G280-RR03-H4
K3G280-RR04-H9
M2D068-BF
M2D068-CF
M2D068-DF
M2E068-CF
M2E068-DF
R2D180-AL10-18
R2D220-AB02-10
R2D225-AV02-15
R2E190-AE77-09
R2E190-AE77-B8
R2E190-AO26-30
R2E225-AT51-14
W2D160-EA22-11
W2D160-EA22-19
W2D160-EB22-12
W2D160-EB22-18
W2D160-ED22-12
W2D210-EA10-11
W2D210-EA10-20
W2D210-EB10-12
W2D210-EB10-13
W2D210-EB10-19
北京恒瑞宏晟機電設備有限公司專業提供變頻器、軌道交通、空氣凈化、新能源汽車等領域的通風散熱制冷配件,風機型號齊全,全新原裝,現貨庫存,期待您咨詢采購!









