
- 產品簡介
- 產品性能
- 應用范圍
W2D255-EB14-14 ebmpapst 電機風扇
類型:軸流風扇
型號:W2D255-EB14-14
功率 : 80(w)
電壓: 400(V)
適用范圍:通風制冷
轉速 :2630(r/min)
尺寸:225mm
德國ebmpapstW2D255-EB14-14 軸流風機實拍圖

????北京恒瑞宏晟機電設備有限公司經營離心風機、軸流風扇、貫流風扇、變頻器風扇數十年,產品匯聚世界風機風扇品牌,長期供應德國ebmpapst(依必安派特)風機,型號齊全,大量現貨,全新原裝,歡迎垂詢!
W2D255-EB14-14 ebmpapst 電機風扇
類型:軸流風扇
型號:W2D255-EB14-14
功率 : 80(w)
電壓: 400(V)
適用范圍:通風制冷
轉速 :2630(r/min)
尺寸:225mm
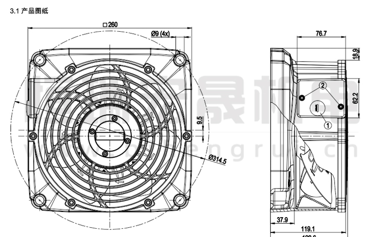
德國ebmpapstW2D255-EB14-14 軸流風機結構圖

????北京恒瑞宏晟機電設備有限公司經營離心風機、軸流風扇、貫流風扇、變頻器風扇數十年,產品匯聚世界風機風扇品牌,長期供應德國ebmpapst(依必安派特)風機,型號齊全,大量現貨,全新原裝,歡迎垂詢!
德國ebmpapst風扇 W2D255-EB14-14應用于電機中
風機問題在線解答:
1、怎樣選擇電機風機?
2、怎樣延長電機風機使用壽命?
3、電機風機工作原理?
更多風機技術問題請聯系客服?
其他熱門型號推薦:
A2D210-AA10-17
A2D250-AD26-05
A2D160-AB22-05
A2D210-AB10-05
A2D250-AA26-80
A2D160-AA22-05
W2S135-EA79-01
A2D160-AB22-06
A2D250-AA02-01
A2E170-AF25-12
A2E200-AH38-01
A2E200-AI38-01
K3G250-RR03-H4
K3G250-RR17-H9
K3G280-RR04-H9
R2D160-AC02-13
RF22P-2DD.5H.1R
S2E250-BE65-01
W2D155-EA08-01
W2D160-EB22-12
W2D250-EA26-17
W2D250-ED26-06
W2D250-ED26-08
W2D250-ED26-12
W2D250-ED26-18
W2D250-GA08-08
北京恒瑞宏晟機電設備有限公司專業提供變頻器、軌道交通、空氣凈化、新能源汽車等領域的通風散熱制冷配件,風機型號齊全,全新原裝,現貨庫存,期待您咨詢采購!









