- 產品簡介
- 產品性能
- 應用范圍
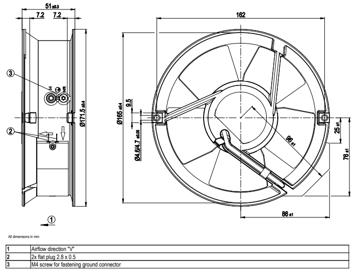
北京恒瑞宏晟低價供應W2E143-AA09-93軸流風機,適用于通風散熱制機箱機柜。
以下部分型號長期優惠供應:
W1G130-AA49-01 電壓:115v 電流:0.38A 功率:24W 轉速:3200r/min
W1G130-AA25-01 電壓:230v 電流:0.19A 功率:24W 轉速:3200r/min
W3G200-HD01-01 電壓:1~200~240v 電流:0.55A 功率:54W 轉速:2900r/min
W3G200-HD01-03 電壓:1~200~240v 電流:0.55A 功率:54W 轉速:2900r/min
W3G200-HD23-10 電壓:115v 電流:1A 功率:65W 轉速:2900r/min
W3G250-HH07-01電壓:230v 電流:0.72A 功率:83W 轉速:2330r/min
W3G250-HH07-03電壓:230v 電流:0.72A 功率:83W 轉速:2330r/min
W3G250-HH53-03電壓:115v 電流:0.90A 功率:56W 轉速:2040r/min
W3G250-HK35-11電壓:115v 電流:1.90A 功率:125W 轉速:2700r/min
更多型號請聯系客服,北京恒瑞宏晟長期優惠供應,型號齊全,歡迎選購




.png)








