- 產品簡介
- 產品性能
- 應用范圍
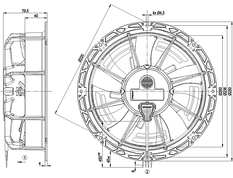
低價熱賣W1G200-EF01-01軸流風機,適用于通風散熱制冷行業
北京恒瑞宏晟機電設備有限公司專業提供變頻器、軌道交通、空氣凈化、新能源汽車等領域的通風散熱制冷配件,長期供應德國ebmpapst(依必安派特)風機,價格具有很強的競爭力,風機全新原裝,期待您咨詢采購!
以下部分型號長期優惠供應:
W1G130-AA49-01 電壓:115v 電流:0.38A 功率:24W 轉速:3200r/min
W1G130-AA25-01 電壓:230v 電流:0.19A 功率:24W 轉速:3200r/min
W3G200-HD01-01 電壓:1~200~240v 電流:0.55A 功率:54W 轉速:2900r/min
W3G200-HD01-03 電壓:1~200~240v 電流:0.55A 功率:54W 轉速:2900r/min
W3G200-HD23-10 電壓:115v 電流:1A 功率:65W 轉速:2900r/min
W3G250-HH07-01電壓:230v 電流:0.72A 功率:83W 轉速:2330r/min
W3G250-HH07-03電壓:230v 電流:0.72A 功率:83W 轉速:2330r/min
W3G250-HH53-03電壓:115v 電流:0.90A 功率:56W 轉速:2040r/min
W3G250-HK35-11電壓:115v 電流:1.90A 功率:125W 轉速:2700r/min
更多型號請咨詢客服,北京恒瑞宏晟專業風機十二年,海量庫存,型號齊全,一站式采購基地,歡迎咨詢!

.png)
.png)

.png)








