
- 產品簡介
- 產品性能
- 應用范圍
庫存狀態:現貨
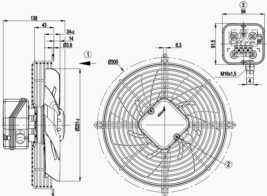
參數圖如下
品牌:ebmpapst
型號:S4E250-AH02-06
類型:軸流風機
應用范圍:通風散熱制冷
.jpg)
Ebmpapst(依必安派特)集團是風機制造商,ebmpapst風機產品廣泛應用于通風、空調、制冷、家電、供暖、汽車、驅動技術等多個行業。
北京恒瑞宏晟優惠供應S4E250-AH02-06軸流風機,適用于通風散熱制冷行業
以下部分型號長期優惠供應:
|
S4E250-BI02-01
|
更多型號請咨詢客服,北京恒瑞宏晟專業風機十二年,海量庫存,型號齊全,一站式采購基地,歡迎咨詢!

.jpg)
.jpg)








