
- 產品簡介
- 產品性能
- 應用范圍
R3G630-RA38-76 ebmpapst FFU AHU風扇
類型 離心風扇
品牌 ebmpapst
型號 R3G630-RA38-76
電機功率 2500(w)
電壓 380/480(V)
電流 3.8(A)
風葉直徑 630MM
轉速 1240/1300(r/min)
德國ebmpapst R3G630-RA38-76離心風機實拍圖



風機配件選擇:

????北京恒瑞宏晟機電設備有限公司經營離心風機、軸流風扇、貫流風扇、變頻器風扇數十年,產品匯聚世界風機風扇品牌,長期供應德國ebmpapst(依必安派特)風機,型號齊全,大量現貨,全新原裝,歡迎垂詢!
ebmpapst 精密空調 數據中心風扇 R3G630-RA38-76
類型 離心風扇
品牌 ebmpapst
型號 R3G630-RA38-76
電機功率 2500(w)
電壓 380/480(V)
電流 3.8(A)
風葉直徑 630MM
轉速 1240/1300(r/min)
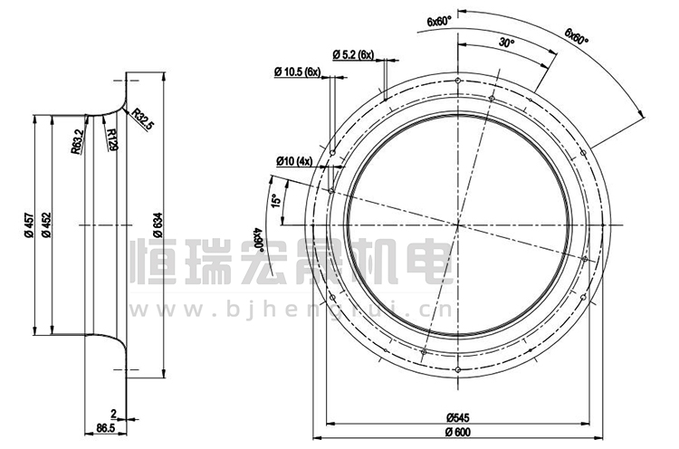
德國ebmpapst R3G630-RA38-76離心風機結構圖


德國ebmpapst R3G630-RA38-76離心風機曲線圖

北京恒瑞宏晟機電設備有限公司經營離心風機、軸流風扇、貫流風扇、變頻器風扇數十年,產品匯聚世界風機風扇品牌,長期供應德國ebmpapst(依必安派特)風機,型號齊全,大量現貨。
ebmpapst FFU ,AHU,精密空調 ,數據中心風扇 R3G630-RA38-76
精密空調需將環境的溫度濕度嚴格控制在特定范圍。應用于大型數據中心、計算機機房、程序交換機機房、衛星移動通訊站、大型醫療設備室.實驗室.精密電子儀器生產車間等高精密環境。


AHU風機主要是抽取室內空氣(return air)和部份新風以控制出風溫度和風量來維持室內溫度。基于外轉子技術的EC風機, 有效節約了皮帶傳動或內轉子傳動軸占用的空間,非常適合AHU改造工程,基于原AHU系統,加入PM2.5濾除段后,空間更小、阻力更大,要求更大風量。


R3G355-RB03-10
R2E133-BH66-05
R3G133-RA01-03
R2E133-BH66-07
R3G133-AE07-02
R2S175-AB56-01
R2E175-AC77-05
R2E180-AS77-05
R2E190-RA26-05
R2E190-AO26-05
R3G190-RD45-03
R3G190-RC05-03
R3G190-RB01-01
R2E220-RA38-01
北京恒瑞宏晟機電設備有限公司是一家從事風機及工控產品銷售的企業,主要提供通風散熱產品和工控系統配件,產品廣泛應用于通風、空調、制冷、供暖、電氣自動化、變頻器、軌道交通、HVAC(FFU/AHU)、空氣凈化、風電發電、工業醫療、新能源汽車等多個行業。風機型號齊全,全新原裝,現貨庫存,期待您咨詢采購!









