.png)
- 產品簡介
- 產品性能
- 應用范圍
R3G450-AY86-01風機為后向離心風機,帶向后彎曲葉片的 ebm-papst 離心風扇主要用于吸入。由于大部分壓力積聚發生在葉輪中,因此通常不需要滾動殼體。離心風扇具有非常好的液壓效率和低噪音水平,非常適合高壓。 除了節能之外,集成控制電子還可以實現控制、監測和維護功能。
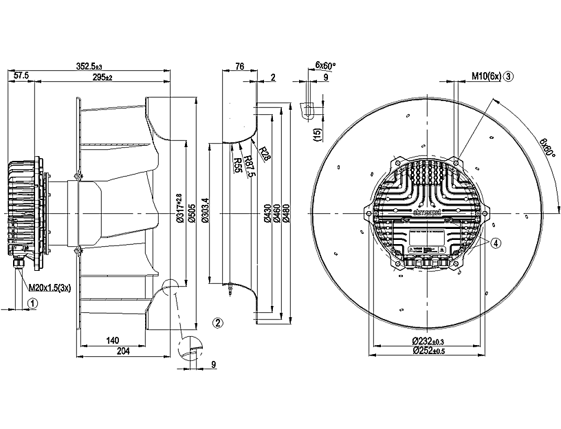
德國ebmpapst R3G450-AY86-01離心風機結構圖
.png)
德國ebmpapst R3G450-AY86-01離心風機曲線圖

北京恒瑞宏晟機電設備有限公司是一家從事風機及工控產品銷售的企業,主要提供通風散熱產品和工控系統配件,產品廣泛應用于通風、空調、制冷、供暖、電氣自動化、變頻器、軌道交通、HVAC(FFU/AHU)、空氣凈化、新能源汽車等多個行業。
德國ebmpapst R3G450-AY86-01離心風機參數
類型 離心風扇
品牌 ebmpapst
型號 R3G450-AY86-01
電機功率 1615(w)
電壓 400(V)
電流 2.5(A)
風葉直徑 450MM
轉速 1750(r/min)
德國ebmpapst R3G450-AY86-01離心風機結構圖
.png)
德國ebmpapst R3G450-AY86-01離心風機曲線圖

北京恒瑞宏晟機電設備有限公司是一家從事風機及工控產品銷售的企業,主要提供通風散熱產品和工控系統配件,產品廣泛應用于通風、空調、制冷、供暖、電氣自動化、變頻器、軌道交通、HVAC(FFU/AHU)、空氣凈化、新能源汽車等多個行業。
R3G450-AY86-01 ebmpapst 離心風扇 400V風機
北京恒瑞宏晟機電設備有限公司是一家從事風機及工控產品銷售的企業,主要提供通風散熱產品和工控系統配件,產品廣泛應用于通風、空調、制冷、供暖、電氣自動化、變頻器、軌道交通、HVAC(FFU/AHU)、空氣凈化、風電發電、工業醫療、新能源汽車等多個行業。
風機問題在線解答:
R3G355-RB03-10
R2E133-BH66-05
R3G133-RA01-03
R2E133-BH66-07
R3G133-AE07-02
R2S175-AB56-01
R2E175-AC77-05
R2E180-AS77-05
R2E190-RA26-05
R2E190-AO26-05
R3G190-RD45-03
R3G190-RC05-03
R3G190-RB01-01
R2E220-RA38-01
北京恒瑞宏晟機電設備有限公司專業提供變頻器、軌道交通、空氣凈化、新能源汽車等領域的通風散熱制冷配件,風機型號齊全,全新原裝,現貨庫存,期待您咨詢采購!









