.png)
- 產品簡介
- 產品性能
- 應用范圍
北京恒瑞宏晟低價供應QG030-303/12橫流風機,適用于通風散熱制冷行業
北京恒瑞宏晟機電設備有限公司專業提供變頻器、軌道交通、空氣凈化、新能源汽車等領域的通風散熱制冷配件,長期供應德國ebmpapst(依必安派特)風機,價格具有很強的競爭力,風機全新原裝,期待您咨詢采購!
以下部分型號長期優惠供應:
QG030-148/12風量:75m³/h 電壓:12v 電流:5.7A 功率:6.2W
QG030-198/12風量:100m³/h 電壓:12v 電流:5.8A 功率:8.0W
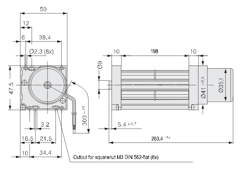
QG030-303/12風量:140m³/h 電壓:12v 電流:5.8A 功率:8.7W
QG030-353/12風量:155m³/h 電壓:12v 電流:5.9A 功率:9.6W
QG030-148/14風量:75m³/h 電壓:24v 電流:5.7A 功率:6.2W
QG030-198/14風量:100m³/h 電壓:24v 電流:5.8A 功率:8.0W
QG030-303/14風量:140m³/h 電壓:24v 電流:5.8A 功率:8.7W
QG030-353/14風量:155m³/h 電壓:24v 電流:5.9A 功率:9.6W
更多型號請咨詢客服,北京恒瑞宏晟專業風機十二年,海量庫存,型號齊全,一站式采購基地,歡迎咨詢!

.png)

.png)








