
- 產品簡介
- 產品性能
- 應用范圍
A2D170-AA04-01 ebmpapst 變頻電機風扇
類型 軸流風扇
品牌 ebmpapst
型號 A2D170-AA04-01
電機功率 45/43(w)
電壓 230/400(V)
電流 0.13(A)
風葉直徑 170mm
轉速 2750(r/min)
德國ebmpapst A2D170-AA04-01軸流風機實拍圖



????北京恒瑞宏晟機電設備有限公司經營離心風機、軸流風扇、貫流風扇、變頻器風扇數十年,產品匯聚世界風機風扇品牌,長期供應德國ebmpapst(依必安派特)風機,型號齊全,大量現貨,全新原裝,歡迎垂詢!
ebmpapst 變頻電機風扇 A2D170-AA04-01
品牌 ebmpapst
型號 A2D170-AA04-01
電機功率 45/43(w)
電壓 230/400(V)
電流 0.13(A)
風葉直徑 170mm
轉速 2750(r/min)
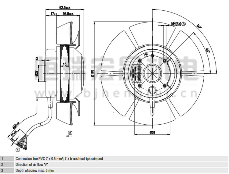
德國ebmpapst A2D170-AA04-01風機結構圖

德國ebmpapst A2D170-AA04-01風機曲線圖

北京恒瑞宏晟機電設備有限公司經營離心風機、軸流風扇、貫流風扇、變頻器風扇數十年,產品匯聚世界風機風扇品牌,長期供應德國ebmpapst(依必安派特)風機,型號齊全,大量現貨。
ebmpapst 風扇 A2D170-AA04-01 變頻電機風機
A2D160-AA22-05
A2D160-AB22-06
A2D170-AA04-01
A2D170-AA04-02
A2D200-AA02-02
A2D200-AH18-01
A2D210-AA10-17
A2D210-AB10-05
A2D250-AA02-01
A2D250-AA02-02
A2D250-AA06-84
A2D250-AA26-51
A2D250-AA26-80
A2D250-AD26-05
A2D300-AD20-49
A2E170-AF23-01
A2E170-AF25-12
A2E200-AF02-01
A2E200-AH38-01
A2E250-AE65-01
A2E250-AE65-02
A2E250-AM06-01
A2S130-AA03-01
A2S130-AA03-39
A2S130-AB03-11
A4D350-AP08-16
A4E300-AS72-52
A4E350-AP06-33
A6D630-AD01-01
北京恒瑞宏晟機電設備有限公司專業提供變頻器、軌道交通、空氣凈化、新能源汽車等領域的通風散熱制冷配件,風機型號齊全,全新原裝,現貨庫存,期待您咨詢采購!










