
- 產品簡介
- 產品性能
- 應用范圍
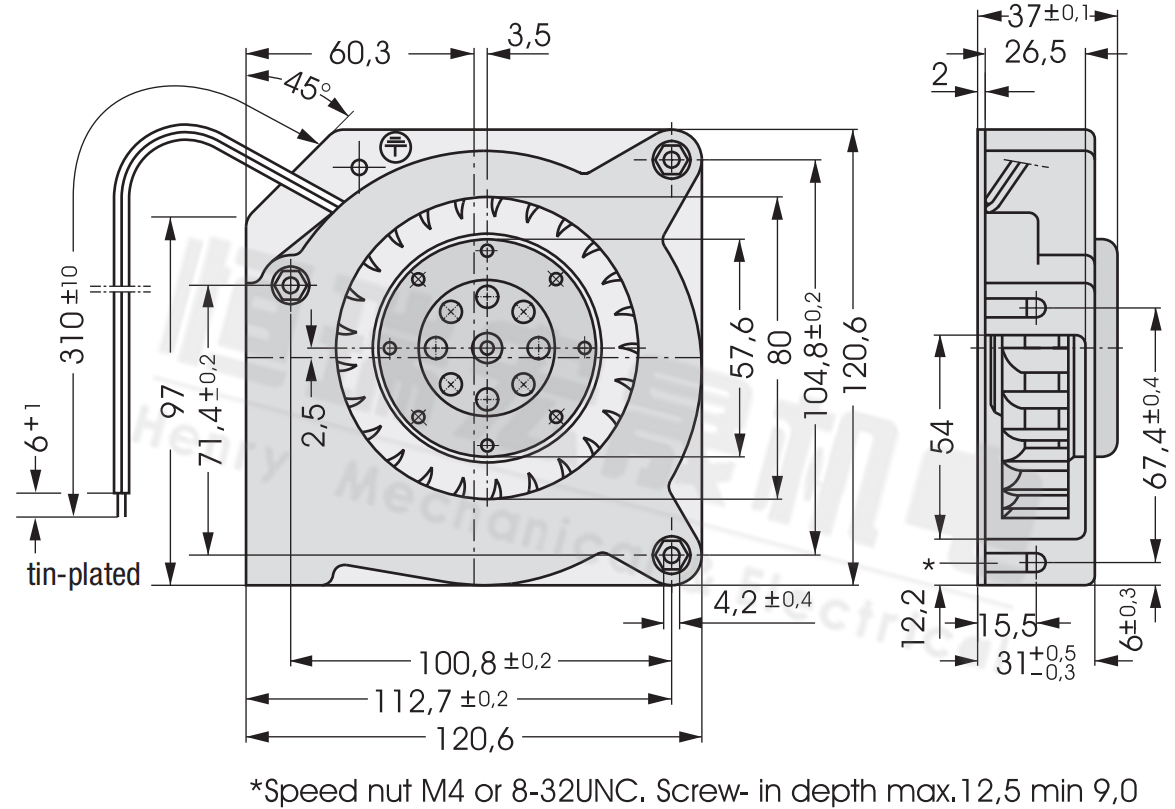
德國ebm全新RL90-18/50 RL90-18/56 RL90-18/00緊湊型風機規格圖


ebmpapst依必安派特授權代理商,多款風機有售,全新原裝,價格公道,歡迎點擊?恒瑞宏晟
RL90-18/50 RL90-18/56 RL90-18/00 RL90-18/06等多款風機有售ebmpapst依必安派特授權代理商,多款風機有售,全新原裝,價格公道,歡迎點擊?恒瑞宏晟
RL90-18/50風量:40m³/h 電壓:230v 電流:5.6A 功率:20W 轉速:2450r/min
RL90-18/56風量:40m³/h 電壓:230v 電流:5.6A 功率:20W 轉速:2450r/min
RL90-18/00風量:42m³/h 電壓:115v 電流:6.0A 功率:19.5W 轉速:2550r/min
RL90-18/06風量:42m³/h 電壓:115v 電流:6.0A 功率19.5W 轉速:2550r/min
RG90-18/50風量:54m³/h 電壓:230v 電流:5.8A 功率:22W 轉速:2200r/min
RG90-18/56風量:54m³/h 電壓:230v 電流:5.8A 功率: 22W 轉速:2200r/min
RG90-18/00風量:47m³/h 電壓:115v 電流:6.2A 功率:22W 轉速:1900r/min
RG90-18/06風量:47m³/h 電壓:115v 電流:6.2A 功率:22W 轉速:1900r/min
更多型號請咨詢客服,北京恒瑞宏晟專業風機十二年,海量庫存,型號齊全,一站式采購基地,歡迎咨詢!









