
- 產品簡介
- 產品性能
- 應用范圍
G1G085-AB05-01風量:95m³/h 電壓:24v 電流:0.64A 功率:14W 轉速:2850r/min
G1G085-AB07-01風量:95m³/h 電壓:48v 電流:0.32A 功率:14W 轉速:2850r/min
G1G108-AB17-02風量:200m³/h 電壓:24v 電流: 2A 功率:42W 轉速:3000r/min
G1G108-AB41-02風量:200m³/h 電壓:48v 電流:1A 功率:42W 轉速:3000r/min
G1G133-DE19-02風量:225m³/h 電壓:24v 電流:2.2A 功率:40W 轉速:2000r/min
G1G133-DE03-02風量:225m³/h 電壓:48v 電流:1.1A 功率:40W 轉速:2000r/min
G1G140-AV17-02風量:400m³/h 電壓:24v 電流:2.5A 功率:54W 轉速:1750r/min
G1G140-AV21-02風量:410m³/h 電壓:48v 電流:1.3A 功率:54W 轉速:1750r/min
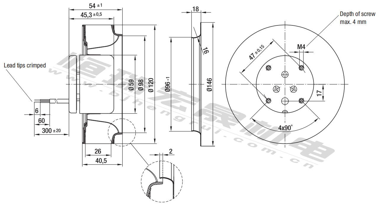
G1G146-BA07-52風量:470m³/h 電壓:24v 電流:5A 功率:100W 轉速:2200r/min
G1G146-BA11-52風量:465m³/h 電壓:48v 電流:2.6A 功率:100W 轉速:2150r/min
更多型號請咨詢客服,北京恒瑞宏晟專業風機十二年,海量庫存,型號齊全,一站式采購基地,歡迎咨詢!



R1G 120 等多種類型風機有售







