
- 產品簡介
- 產品性能
- 應用范圍
K3G310-AY90-N1 ebmpapst 散熱風扇 400V
類型 離心風扇
品牌 ebmpapst
型號 K3G310-AY90-N1
頻率 50/60Hz
電機功率 1200(W)
電壓 3~380-480(V)
電流 1.8(A)
轉速 3000 (r/min)
防護等級 IP55
德國ebmpapst K3G310-AY90-N1離心風機實拍圖



風機配件選擇:

????北京恒瑞宏晟機電設備有限公司經營離心風機、軸流風扇、貫流風扇、變頻器風扇數十年,產品匯聚世界風機風扇品牌,長期供應德國ebmpapst(依必安派特)風機,型號齊全,大量現貨,全新原裝,歡迎垂詢!
德國ebmpapst K3G310-AY90-N1 高鐵輔助變流器風扇
類型 離心風扇
品牌 ebmpapst
型號 K3G310-AY90-N1
頻率 50/60Hz
電機功率 1200(W)
電壓 3~380-480(V)
電流 1.8(A)
轉速 3000 (r/min)
防護等級 IP55
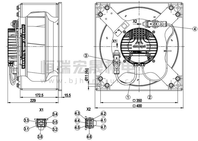
德國ebmpapst K3G310-AY90-N1離心風機結構圖

北京恒瑞宏晟機電設備有限公司經營離心風機、軸流風扇、貫流風扇、變頻器風扇數十年,產品匯聚世界風機風扇品牌,長期供應德國ebmpapst(依必安派特)風機,型號齊全,大量現貨。
德國ebmpapst 高鐵輔助變流器風扇 K3G310-AY90-N1
北京恒瑞宏晟機電設備有限公司是一家從事風機及工控產品銷售的企業,主要提供通風散熱產品和工控系統配件,產品廣泛應用于通風、空調、制冷、供暖、電氣自動化、變頻器、軌道交通、HVAC(FFU/AHU)、空氣凈化、風電發電、工業醫療、新能源汽車等多個行業。
風機問題在線解答:
1、怎樣選擇風機?
2、怎樣延長風機使用壽命?
3、風機工作原理?
R3G355-RB03-10
R2E133-BH66-05
R3G133-RA01-03
R2E133-BH66-07
R3G133-AE07-02
R2S175-AB56-01
R2E175-AC77-05
R2E180-AS77-05
R2E190-RA26-05
R2E190-AO26-05
R3G190-RD45-03
R3G190-RC05-03
R3G190-RB01-01
R2E220-RA38-01
北京恒瑞宏晟機電設備有限公司是一家從事風機及工控產品銷售的企業,主要提供通風散熱產品和工控系統配件,產品廣泛應用于通風、空調、制冷、供暖、電氣自動化、變頻器、軌道交通、HVAC(FFU/AHU)、空氣凈化、風電發電、工業醫療、新能源汽車等多個行業。風機型號齊全,全新原裝,現貨庫存,期待您咨詢采購!









