
- 產品簡介
- 產品性能
- 應用范圍
R4E355-RB10-01 ebmpapst 風機風扇 230V制冷風扇
類型 離心風扇
品牌 ebmpapst
型號 R4E355-RB10-01
電機功率 270(w)
電壓 230(V)
電流 1.18(A)
風葉直徑 355MM
轉速 1330(r/min)
德國ebmpapst R4E355-RB10-01離心風機實拍圖



風機配件選擇:

????北京恒瑞宏晟機電設備有限公司經營離心風機、軸流風扇、貫流風扇、變頻器風扇數十年,產品匯聚世界風機風扇品牌,長期供應德國ebmpapst(依必安派特)風機,型號齊全,大量現貨,全新原裝,歡迎垂詢!
ebmpapst R4E355-RB10-01 散熱風扇
類型 離心風扇
品牌 ebmpapst
型號 R4E355-RB10-01
電機功率 270(w)
電壓 230(V)
電流 1.18(A)
風葉直徑 355MM
轉速 1330(r/min)
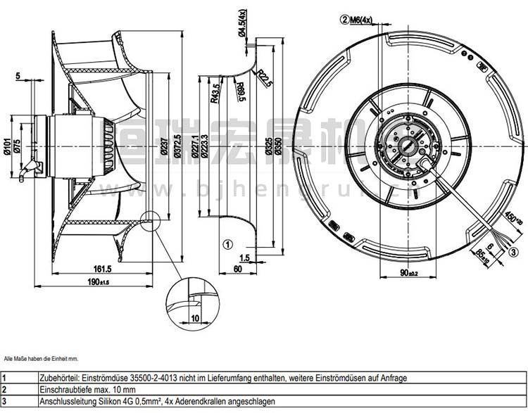
德國ebmpapst R4E355-RB10-01離心風機結構圖

北京恒瑞宏晟機電設備有限公司經營離心風機、軸流風扇、貫流風扇、變頻器風扇數十年,產品匯聚世界風機風扇品牌,長期供應德國ebmpapst(依必安派特)風機,型號齊全,大量現貨。
ebmpapst離心風機 R4E355-RB10-01 變頻器 FFU凈化 空氣凈化風扇
風機過濾機組(FFU)廣泛用于潔凈室、潔凈工作臺、潔凈生產線、組裝式潔凈室。如半導體電子元件生產、光學行業、生物工業等領域。
FFU系列的風機產品特征:
效率高,大風量,低噪聲,更安靜;
單機控制、群組控制,實時監控,工業通用RS485通訊;
通用性強,結構安裝/維護簡便,高可靠性,性能全面保護。


變頻器底部的大風扇是用來給變頻器的IGBT等大功率原件散熱的,小風扇是用來給CPU板、驅動板、電源板等電子部分散熱。離心風機具有極低的噪音水平和高功率密度,它們可以滿足狹小空間及大風量的需求,葉輪是根據空氣動力學和幾何要求設計的。為了獲得更佳效率,除了電壓控制的異步電動機外,還使用了高性能的Green Tech EC電動機。兩種驅動器類型均可在整個功率范圍內使用。

風機問題在線解答:
R3G355-RB03-10
R2E133-BH66-05
R3G133-RA01-03
R2E133-BH66-07
R3G133-AE07-02
R2S175-AB56-01
R2E175-AC77-05
R2E180-AS77-05
R2E190-RA26-05
R2E190-AO26-05
R3G190-RD45-03
R3G190-RC05-03
R3G190-RB01-01
R2E220-RA38-01
北京恒瑞宏晟機電設備有限公司是一家從事風機及工控產品銷售的企業,主要提供通風散熱產品和工控系統配件,產品廣泛應用于通風、空調、制冷、供暖、電氣自動化、變頻器、軌道交通、HVAC(FFU/AHU)、空氣凈化、風電發電、工業醫療、新能源汽車等多個行業。風機型號齊全,全新原裝,現貨庫存,期待您咨詢采購!









