
- 產品簡介
- 產品性能
- 應用范圍
R3G225-RD05-03 ebmpapst 空氣凈化風扇
類型 離心風扇
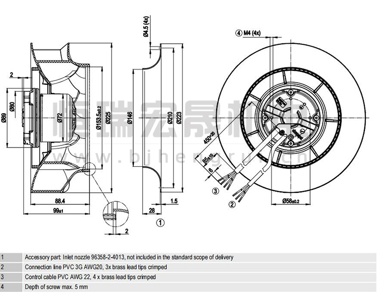
德國ebmpapst R3G225-RD05-03離心風機實拍圖



風機配件選擇:

????北京恒瑞宏晟機電設備有限公司經營離心風機、軸流風扇、貫流風扇、變頻器風扇數十年,產品匯聚世界風機風扇品牌,長期供應德國ebmpapst(依必安派特)風機,型號齊全,大量現貨,全新原裝,歡迎垂詢!
類型 離心風扇

德國ebmpapst R3G225-RD05-03風機曲線圖


北京恒瑞宏晟機電設備有限公司經營離心風機、軸流風扇、貫流風扇、變頻器風扇數十年,產品匯聚世界風機風扇品牌,長期供應德國ebmpapst(依必安派特)風機,型號齊全,大量現貨。
空氣凈化風機將外部空氣吸入空氣凈化器,然后通過各種濾網將其凈 化。另外一個風機再將潔凈的空氣送回房間。這一過程需要 運行特別安靜的風機,并進行精確控制,以適應特殊情況。
空氣凈化器中的應用優勢:
空氣動力學優化的葉輪顯著降低噪音高效的通風技術和新 型EC電機的結合設計緊湊EC風機具有兩級調速或無級調 速功能堅固的設計和免維護運行。

醫療技術中需要極小空間的復雜裝置。ebmpapst小尺寸風機可以同時滿足用戶對于空間的需求,使得裝置盡可能緊湊。即使是高效緊湊的技術也會產生需要消散的廢熱。選擇高性能、低噪音且使用壽命長的風機可以對設備的表現起到很大的幫助。對于醫療設備當然同樣重要的是:小巧、強勁、高效、提供高精度控制的驅動裝置。現代手術室已經離不開這些醫療設備。











