
- 產品簡介
- 產品性能
- 應用范圍
G2E140-NS38-01 ebmpapst 救護車 印刷機風扇
類型 離心風扇
品牌 ebmpapst
型號 G2E140-NS38-01
電壓 230(V)
功率 105(W)
電流 0.46(A)
轉速 1800(r/min)
風葉直徑 140mm
德國ebmpapst G2E140-NS38-01風機實拍圖



????北京恒瑞宏晟機電設備有限公司經營離心風機、軸流風扇、貫流風扇、變頻器風扇數十年,產品匯聚世界風機風扇品牌,長期供應德國ebmpapst(依必安派特)風機,型號齊全,大量現貨,全新原裝,歡迎垂詢!
ebmpapst 救護車 印刷機風扇 G2E140-NS38-01
類型 離心風扇
品牌 ebmpapst
型號 G2E140-NS38-01
電壓 230(V)
功率 105(W)
電流 0.46(A)
轉速 1800(r/min)
風葉直徑 140mm
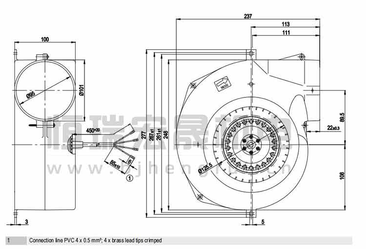
德國ebmpapst G2E140-NS38-01風機結構圖

德國ebmpapst G2E140-NS38-01風機曲線圖:


ebmpapst 離心風機 G2E140-NS38-01 應用于 救護車 印刷機中
救護車啟動了負壓裝置后,系統將對擔架上患者呼出的空氣進行強力抽吸,最終經過濾設備消毒后排出車外,成為無污染空氣。由于車內醫療艙形成了比外部大氣壓低10-30Pa的負壓,病人呼出的空氣不會從車輛門窗縫隙排出車外,能夠有效防止病毒感染沿途環境。而進入車內的新風也會進行過濾,保證病人不會因外部環境造成感染。


風機問題在線解答:
G1G085-AB05-07
G1G126-AA49-71
G1G126-AB13-13
G1G133-DE03-S01
G1G144-AE13-50
G1G160-BH29-52
G1G170-AB31-03
G1G170-AB31-51
G1G170-AB53-01
G2D120-AA04-10
G2D146-CE04-13
G2D160-AF02-09
G2D180-AE02-14
G2D180-AE02-26
G2D180-BD18-11
北京恒瑞宏晟機電設備有限公司專業提供變頻器、軌道交通、空氣凈化、新能源汽車等領域的通風散熱制冷配件,風機型號齊全,全新原裝,現貨庫存,期待您咨詢采購!









