
- 產品簡介
- 產品性能
- 應用范圍
ebmpapst G2D180-BD18-13 變頻器風扇
類型 離心風扇
品牌 ebmpapst
型號 G2D180-BD18-13
電機功率 305(w)
電壓 400(V)
電流 0.62(A)
適用范圍 -25~60 °C
風量 505m3/h
風葉直徑 180mm
轉速 2650(r/min)
德國ebmpapst G2D180-BD18-13離心風機實拍圖


????北京恒瑞宏晟機電設備有限公司經營離心風機、軸流風扇、貫流風扇、變頻器風扇數十年,產品匯聚世界風機風扇品牌,長期供應德國ebmpapst(依必安派特)風機,型號齊全,大量現貨,全新原裝,歡迎垂詢!
德國ebmpapst G2D180-BD18-13離心風機參數
類型 離心風扇
品牌 ebmpapst
型號 G2D180-BD18-13
電機功率 305(w)
電壓 400(V)
電流 0.62(A)
適用范圍 -25~60 °C
風量 505m3/h
風葉直徑 180mm
轉速 2650(r/min)
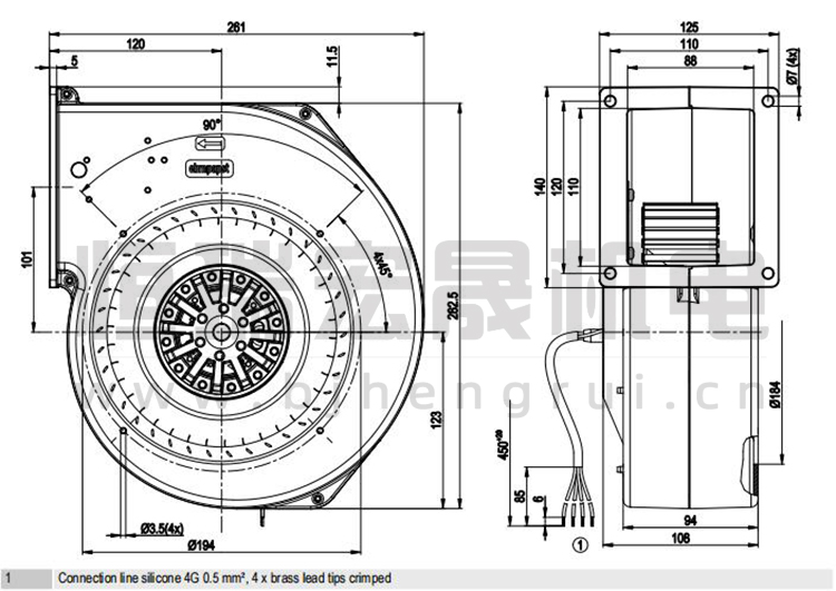
德國ebmpapst G2D180-BD18-13風機結構圖

北京恒瑞宏晟機電設備有限公司經營離心風機、軸流風扇、貫流風扇、變頻器風扇數十年,產品匯聚世界風機風扇品牌,長期供應德國ebmpapst(依必安派特)風機,型號齊全,大量現貨。
德國ebmpapst風扇G2D180-BD18-13 應用于變頻器行業
變頻器底部的大風扇是用來給變頻器的IGBT等大功率原件散熱的,小風扇是用來給CPU板、驅動板、電源板等電子部分散熱。
Ebmpapst離心風機具有極低的噪音水平和高功率密度,它們可以滿足狹小空間及大風量的需求,葉輪是根據空氣動力學和幾何要求設計的。為了獲得更佳效率,除了電壓控制的異步電動機外,還使用了高性能的Green Tech EC電動機。兩種驅動器類型均可在整個功率范圍內使用。

風機問題在線解答:
1、怎樣選擇變頻器風機?
2、怎樣延長變頻器風機使用壽命?
3、變頻器風機工作原理?
更多風機技術問題請聯系客服?
其他熱門型號推薦:
M2E068-CF
M2E068-DF
R2D180-AL10-18
R2D220-AB02-10
R2D225-AV02-15
R2E190-AE77-09
R2E190-AE77-B8
R2E190-AO26-30
R2E225-AT51-14
W2D160-EA22-11
W2D160-EA22-19
W2D160-EB22-12
W2D160-EB22-18
W2D160-ED22-12
W2D210-EA10-11
W2D210-EA10-20
北京恒瑞宏晟機電設備有限公司專業提供變頻器、軌道交通、空氣凈化、新能源汽車等領域的通風散熱制冷配件,風機型號齊全,全新原裝,現貨庫存,期待您咨詢采購!









