
- 產品簡介
- 產品性能
- 應用范圍
ebmpapst 燃氣鍋爐風機 G3G200-GN18-01
類型 離心風扇
品牌 ebmpapst
型號 G3G200-GN18-01
電機功率 750(w)
電壓 208-240(V)
電流 3.6(A)
風葉直徑 200mm
轉速 5700(r/min)
防護等級 IP20
德國ebmpapst G3G200-GN18-01離心風機實拍圖



????北京恒瑞宏晟機電設備有限公司經營離心風機、軸流風扇、貫流風扇、變頻器風扇數十年,產品匯聚世界風機風扇品牌,長期供應德國ebmpapst(依必安派特)風機,型號齊全,大量現貨,全新原裝,歡迎垂詢!
ebmpapst G3G200-GN18-01 燃氣鍋爐風機
類型 離心風扇
品牌 ebmpapst
型號 G3G200-GN18-01
電機功率 750(w)
電壓 208-240(V)
電流 3.6(A)
風葉直徑 200mm
轉速 5700(r/min)
防護等級 IP20
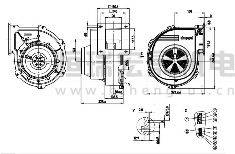
德國ebmpapst G3G200-GN18-01風機規格圖

德國ebmpapst G3G200-GN18-01風機曲線圖

北京恒瑞宏晟機電設備有限公司經營離心風機、軸流風扇、貫流風扇、變頻器風扇數十年,產品匯聚世界風機風扇品牌,長期供應德國ebmpapst(依必安派特)風機,型號齊全,大量現貨,全新原裝,歡迎垂詢!
德國ebmpapst風扇G3G200-GN18-01 應用于燃氣鍋爐行業
ebmpapst的離心風機,具有高壓頭、高流量、結構緊湊的特點,尤其適用于冷凝式燃氣鍋爐、普通燃氣鍋爐、壁掛爐、燃油燃氣燃燒器、燃料電池等各種領域。風機采用了智能型的EC電機作為驅動,風機轉速可通過開式或閉式電路調節,安全節能,性能穩定,制熱12KW-4200KW的制熱風機系列產品均可覆蓋。

風機問題在線解答:
1、怎樣實現風機調速?
2、怎樣安裝鍋爐風機?
3、怎樣延長風機使用壽命?
更多風機技術問題請聯系客服?
其他熱門型號推薦:
G1G170-AB31-03
G1G170-AB31-51
G3G250-MW50-01
G3G315-M3G150FF
G3G250-GN17-01
G1G170-AB53-01
G3G250-GN44-01
北京恒瑞宏晟機電設備有限公司專業提供變頻器、軌道交通、空氣凈化、燃氣鍋爐、新能源汽車等領域的通風散熱制冷配件,風機型號齊全,全新原裝,現貨庫存,期待您咨詢采購!









